| Sign In | Join Free | My spintoband.com |
|
Brand Name : YBX
Model Number : YB11E2-15A-Q
Certification : cUL, TUV, CQC, CE, ROHS
Place of Origin : China
MOQ : 100pcs
Price : Negotiable
Payment Terms : T/T, L/C
Supply Ability : 10000 Piece/Pieces per Month Ac 220V General Purpose Noise Filter
Delivery Time : 20-25 days
Packaging Details : 56.5*28.5*22.5cm
Item : YB11E1-10A-Q
Rated current : 1A-15A
Voltage : 125V/220VAC
Operating Frequency : 50/60HZ
Line to Line : 1450DVC
MOQ : 100pcs
Certificate : ISO9001 CE TUV CQC CUL ROHS
Port : Shenzhen
220V General Purpose Low Pass Emi Filter with Rated Current 1 to 10A for UPS
Technical Specification:
| Item | Power line Filter |
| Model | Power line Filter YB-E |
| Transfer Function | Low Pass |
| Package Type | Surface Mount |
| Nominal Center Frequency | 10K-30MHZ |
| Insertion Loss | 60~90dB |
| Input Impedance | 50Ω |
| Rated Voltage | 115V/250V |
| Rated Current | 1~15A |
| Environmental Temperature | 40°C |
| Temperature Range | 25 / 085 / 21 |
| Operating Frequency | 50/60HZ |
| Line to Line | 1450VDC |
| Line to Ground | 2250VDC |
| Maximum Leakage Current | 250VAC/60HZ 0.8mA Max |
| MOQ | 100pcs |
| Price | USD1~5.3/Meter |
| Lead Time | 5~20 weekday |
Features:
-- The compact size can be applied to various situations.
-- YB11 filters are also available as two-stage filters(YB35) in noisy environmment.
-- There are a variety of parts and combinations to meet different customer's EMC tests.
-- Customized products according to customer's requirements.
Typical Applications:
-- Electrical and electronic equipment
-- Medical equipment
-- Datacom equipment
-- Office automation equipment
Rule of Nomination:
YB 11 E1 - 10A - Q ( R 5 )
¦ ¦ ¦ ¦ ¦ ¦
circuit case current connection optional
Tabulates:
| Model No. | Rated Current @40°C | Terminal Options* | Bleeder resistor(optional) | Leakage current 250V/50Hz | Electrical Schematic | Rated Voltage(V) | Operating Frequency(Hz) | ||||||||||||||||||||||||||||||||||
| YB11E1-1A | 1A | Q | - | W | - |
<0.8mA | Fig.1 |
115/250V |
50/60Hz | ||||||||||||||||||||||||||||||||
| YB11E1-2A | 2A | Q | - | W | - | Fig.1 | |||||||||||||||||||||||||||||||||||
| YB11E1-3A | 3A | Q | - | W | - | Fig.1 | |||||||||||||||||||||||||||||||||||
| YB11E1-4A | 4A | Q | - | W | - | Fig.1 | |||||||||||||||||||||||||||||||||||
| YB11E1-6A | 6A | Q | - | W | - | Fig.1 | |||||||||||||||||||||||||||||||||||
| YB11E1-8A | 8A | Q | - | W | - | Fig.1 | |||||||||||||||||||||||||||||||||||
| YB11E1-10A | 10A | Q | - | W | - | Fig.1 | |||||||||||||||||||||||||||||||||||
| YB11E2-1A | 1A | Q | - | W | - | Fig.1 | |||||||||||||||||||||||||||||||||||
| YB11E2-2A | 2A | Q | - | W | - | Fig.1 | |||||||||||||||||||||||||||||||||||
| YB11E2-3A | 3A | Q | - | W | - | Fig.1 | |||||||||||||||||||||||||||||||||||
| YB11E2-4A | 4A | Q | - | W | - | Fig.1 | |||||||||||||||||||||||||||||||||||
| YB11E2-6A | 6A | Q | - | W | - | Fig.1 | |||||||||||||||||||||||||||||||||||
| YB11E2-8A | 8A | Q | - | W | - | Fig.1 | |||||||||||||||||||||||||||||||||||
| YB11E2-10A | 10A | Q | - | W | - | Fig.1 | |||||||||||||||||||||||||||||||||||
| YB11E3-1A | 1A | Q | - | W | - | Fig.1 | |||||||||||||||||||||||||||||||||||
| YB11E3-2A | 2A | Q | - | W | - | Fig.1 | |||||||||||||||||||||||||||||||||||
| YB11E3-3A | 3A | Q | - | W | - | Fig.1 | |||||||||||||||||||||||||||||||||||
| YB11E3-4A | 4A | Q | - | W | - | Fig.1 | |||||||||||||||||||||||||||||||||||
| YB11E3-6A | 6A | Q | - | W | - | Fig.1 | |||||||||||||||||||||||||||||||||||
| YB11E3-8A | 8A | Q | - | W | - | Fig.1 | |||||||||||||||||||||||||||||||||||
| YB11E3-10A | 10A | Q | - | W | - | Fig.1 | |||||||||||||||||||||||||||||||||||
Electrical schematic:

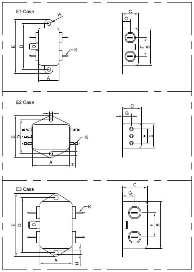
Mechanical Dimension(Unit: mm)
| Case | A | B | C | D | E | F | G | H | I | J | K | |||||||||||||||
| E1 | 24 | 44 | 19 | 54.5 | 64.5 | 23 | 9.5 | 4.5 | 6.3*0.8 | |||||||||||||||||
| E2 | 44 | 29 | 22 | 40 | 50 | 15 | 8 | 4.5 | 3.5 | UL1015 | ||||||||||||||||
| E3 | 32 | 46 | 22.5 | 54 | 62 | 24 | 12.5 | 4.5 | 6.3*0.8 | |||||||||||||||||
| Tolerances | ±1 | ±1 | ±1 | ±0.15 | ±1 | ±0.5 | ±0.5 | ±0.15 | ±0.15 | ±0.15 | ||||||||||||||||
Insertion loss table(In 50ohm system according IEC/CISPR No.17)
Common mode
--------
differential mode
1A 3A

6A 8A

10A

|
|
UPS 220V Low Pass EMI Filter Rated Current 1-10A Stable Performance Images |