| Sign In | Join Free | My spintoband.com |
|
Brand Name : YANBIXIN
Model Number : YX93G4-50A-S
Certification : cUL, ENEC, CE, ROHS
Place of Origin : China
MOQ : 5pcs
Price : Negotiable
Payment Terms : T/T, L/C
Supply Ability : 10000 Piece/Pieces per Month Ac 220V General Purpose Noise Filter
Delivery Time : 20-25 days
Packaging Details : 56.5*28.5*22.5cm
Name : YX93G4-50A-S
Type : EMI Filter
Case : Metal case
OEM : Available
Transfer Function : Low Pass
60A Inverter EMI Filter AC EMI Three Phase EMC Power Filter For Power Supplies
Technical Specification:
| Item | Power line Filter |
| Model | Power line Filter YX-G |
| Transfer Function | Low Pass |
| Package Type | Surface Mount |
| Nominal Center Frequency | 10K-30MHZ |
| Insertion Loss | 60~90dB |
| Input Impedance | 50Ω |
| Rated Voltage | 380V/440V |
| Rated Current | 1~1200A |
| Environmental Temperature | 40°C |
| Temperature Range | 25 / 085 / 21 |
| Operating Frequency | 50/60HZ |
| Line to Line | 1450VDC |
| Line to Ground | 2250VDC |
| Maximum Leakage Current | 250VAC/60HZ 0.8mA Max |
| MOQ | 5pcs |
| Price | USD3.8~98.8/Meter |
| Lead Time | 5~20 weekday |
Product Picture:

Features:
-- Protection against interference of voltage
-- Advanced two-stage filtering circuits with highly saturating resistant toroidal inductors
-- Copper bar terminals applied for versions above 250A to keep pace with international standard, easy and safe connection;
-- Customized products according to customer's requirements
Typical Applications:
1. Mainframe computer systems
2. Servo motor
3. UPS/SMPS
4. Industrial electronic equipment by using frequency conversion principle
Rule of Nomination:
YX 91 G1 - 3A - Q
¦ ¦ ¦ ¦
circuit case current connection
Tabulates:
| Model No. | Rated Current @40°C | Terminal Options* | Leakage current 440V/50Hz | Electrical Schematic | Rated Voltage(V) | Operating Frequency(Hz) | ||||||||||||||||||||||||||||||
| YX94G1-3A | 3A | Q | S | T | <5.0mA | Fig.1 | 250/440V | 50/60Hz | ||||||||||||||||||||||||||||
| YX94G1-6A | 6A | Q | S | T | Fig.1 | |||||||||||||||||||||||||||||||
| YX94G1-10A | 10A | Q | S | T | Fig.1 | |||||||||||||||||||||||||||||||
| YX94G2-15A | 20A | Q | S | T | Fig.1 | |||||||||||||||||||||||||||||||
| YX94G2-20A | 30A | - | S | T | Fig.1 | |||||||||||||||||||||||||||||||
| YX94G2-25A | 30A | - | S | T | Fig.1 | |||||||||||||||||||||||||||||||
| YX94G2-30A | 40A | - | S | T | Fig.1 | |||||||||||||||||||||||||||||||
| YX94G3-35A | 40A | - | S | T | <7.0mA | Fig.1 | ||||||||||||||||||||||||||||||
| YX94G5-50A | 50A | - | S | T | Fig.1 | |||||||||||||||||||||||||||||||
| YX94G5-60A | 60A | - | S | T | Fig.1 | |||||||||||||||||||||||||||||||
| YX94G5-80A | 80A | - | S | T | <10.0mA | Fig.1 | ||||||||||||||||||||||||||||||
| YX94G4-100A | 100A | - | S | T | Fig.1 | |||||||||||||||||||||||||||||||
| YX94G6-150A | 150A | - | S | T | <15.0mA | Fig.1 | ||||||||||||||||||||||||||||||
| YX94G6-200A | 200A | - | S | T | Fig.1 | |||||||||||||||||||||||||||||||
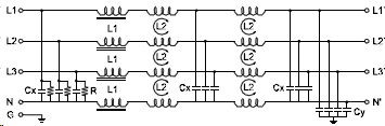
Electrical schematic:

Fig.1
Mechanical Dimension(Unit: mm)
| Case | A | B | C | D | E | F | G | H | I | J | K | L | M | ||||||||||||||||||||||||||||||
| G1 | 72 | 65 | 39 | 75 | 85 | 35 | 22 | 45 | M4 | M4/M6 | |||||||||||||||||||||||||||||||||
| G2 | 98 | 80 | 40 | 95 | 105 | 50 | 20 | 4.5*6.5 | 50 | M4 | M4/M6 | ||||||||||||||||||||||||||||||||
| G3 | 120 | 100 | 50 | 115 | 130 | 50 | 28 | 4*6 | 60 | M4 | M4/M6 | ||||||||||||||||||||||||||||||||
| G4 | 200 | 127 | 80 | 150 | 170 | 62 | 49.5 | 6*9 | 117 | M6/M8 | M8/M10 | ||||||||||||||||||||||||||||||||
| G5 | 150 | 105 | 60 | 120 | 135 | 55 | 35 | 4*6 | 90 | M6 | M8 | ||||||||||||||||||||||||||||||||
| G6 | 260 | 170 | 100 | 196 | 220 | 85 | 65 | 8*12 | 172 | M8 | M10 | ||||||||||||||||||||||||||||||||
| Tolerances | ±1 | ±1 | ±1 | ±0.15 | ±1 | ±0.5 | ±0.5 | ±0.15 | ±0.15 | ±0.15 | ±0.15 | ±2 | |||||||||||||||||||||||||||||||
Insertion loss table(In 50ohm system according IEC/CISPR No.17)
Common mode
--------
differential mode
6/10A 20A
40A 80A
100A
|
|
50A AC Inverter EMI Filter Nominal Center Frequency Power Filter 150KHZ-30MHZ Images |